Tervezés áttekintően – mielőtt a munkálat elkezdődik
Már a tervezési fázisban pontos képet adunk az otthonába készülő lépcsőről. Olyan részletes alaprajzokat és 3D modelleket készítünk, amelyek segítségével térben is megismerheti a lépcső elhelyezkedését, méreteit és arányait — így Ön előre látja, hogyan fog illeszkedni az otthonába.
Az alábbi szakaszok lenyithatók: kattintson a címsorokra, és megnyílik a részletes leírás minden lépésről.
Miért hasznos az alaprajz?
A felmérés után, igény szerint akár több különböző alaprajzot is készítünk, hogy átbeszélhessük a készítendő lépcső minden részletét. Ezek a rajzok segítenek a pontos tervezésben és a kivitelezés előkészítésében.
- Könnyen elképzelhető a kész lépcső, még a gyártás elkezdése előtt.
- Gyorsabb és biztosabb döntés, mert minden méret és részlet egyértelmű.
- Zökkenőmentes egyeztetés, így nincs félreértés a kivitelezés során.
Miért fontos a háromdimenziós látványterv?
A tervezés során egy böngészőben megnyitható, interaktív 3D modellt biztosítunk, amelyen valósághűen megtekintheti a készülő lépcsőt.
- Forgathatja és nagyíthatja a modellt, így minden szögből megismerheti a lépcső formáját.
- Valósághű megtekintés, hogy még pontosabb képet kapjon a készülő lépcsőről.
- A beépített emberalak révén jól érzékelhető a lépcső valódi aránya.
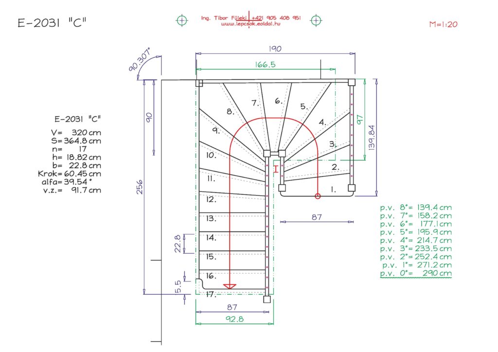
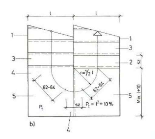
A lépcsőfokok méretmeghatározásának elvei és előírásai az átlagember lépéstávolságából indulnak ki, amely átlagosan C = 60 – 64 cm.
Ekkora lépésekkel haladnak az emberek vízszintes felületen, de ez határozza meg közvetve a lépcsőn tett lépések lehetséges hosszát is.
Tapasztalatok alapján a vízszintes járással azonos lépéstávolság a lépcsőkön a következők szerint határozható meg: 2 m + sz = 60 – 64 cm, ahol
sz a fok belépő szélessége járóvonalon,
m a fokok közötti fellépő magasság.
Pihenős lépcsőknél a pihenőt ketté is lehet osztani hely megtakarítás céljából.
Tervezési szempontok – miért fontos az előzetes egyeztetés?
A gipszbeton lépcsők gyakran kerülnek bemutatásra gyors és költséghatékony megoldásként. Valóban számos előnyük van, azonban fontos tudni, hogy a későbbi burkolás és korlátszerelés jelentős tervezési kihívásokat rejt.
A korlátok típusa és rögzítési lehetőségei nagymértékben függnek a választott burkolattól, a szegések kialakításától, valamint a lépcsőszerkezet formájától és méreteitől.
Előnyös jellemzők:
- gyors kivitelezés (jellemzően 2–3 nap),
- modern, letisztult formai lehetőségek,
- már az építkezés korai szakaszától használható,
- könnyű szerkezet,
- alacsony kivitelezési költség,
- a burkolat és a korlát későbbi ütemezéssel is elkészíthető.
Korlátozó tényezők:
- a burkolatok és korlátok tervezése, felmérése és kivitelezése lényegesen több utómunkát igényel, mint önhordó lépcsők esetében,
- a héjszerkezet vékony kialakítása miatt a burkolatok és korlátok rögzítése technikailag korlátozott,
- kizárólag zárt (homlokdeszkás) formában készülhet,
- támfalak nélkül nagyobb fesztávok nem hidalhatók át,
- a kivitelezési tervek minősége erősen meghatározza a későbbi lehetőségeket (sajnos gyakoriak a pontatlan tervek).
- Gipszbeton lépcsők esetén elengedhetetlen az előzetes egyeztetés, különösen akkor, ha később egyedi burkolatot vagy korlátot szeretne.
- A szükséges rögzítési pontokat és szerkezeti kialakításokat már az építés során be kell építeni a lépcsőszerkezetbe. Ezek utólagos kialakítása sok esetben csak kompromisszumokkal, vagy egyáltalán nem megoldható.
- Kérjük, küldje el számunkra az előkészített terveket, hogy már a tervezési fázisban meg tudjuk adni azokat a módosítási javaslatokat, amelyek a későbbi burkolás és korlátszerelés szakszerű kivitelezéséhez szükségesek.









